news

行业动态

芯片设计:流程、工具与发展展望

发布时间:2025-08-15  作者:aikewei_admin

芯片设计是设计芯片的过程,是电子工程的重要组成部分。芯片设计过程涉及电路设计及其逻辑结构的知识。所有芯片都是由被称为晶体管的基本元件制成的。金属氧化物半导体场效应晶体管(MOSFET) 是数字芯片的基本构件,用于制作复杂的电路。

 

芯片设计的历史与晶体管的发展息息相关。杰克·基尔比于1958年开发出第一个集成电路,它仅包含一个晶体管。第一个集成电路的尺寸约为17.76平方毫米一个集成电路使用锗作为半导体材料。尽管锗具有很高的电子迁移率,但它在集成电路行业几乎消失了,而硅则保留了下来,因为它是世界上最丰富的元素。


这种芯片最初用于军事用途,但很快引起了家庭和医疗保健行业的关注。1965年,戈登·摩尔提出了一条定律:在给定面积的芯片中,晶体管的数量每18到24个月就会翻一番。这条定律一直沿用到90年代末,但随着近年来晶体管尺寸减小的发展,这条定律已不再适用。如今,单个芯片上的晶体管数量已达到数十亿。



芯片设计趋势


芯片设计的现代趋势与先进的 EDA 工具相结合,使得芯片设计比以往任何时候都更具可扩展性和更可靠。


过去十年来,晶体管的物理尺寸大幅减小。这不仅带来了超大尺寸芯片的出现,也带来了低压芯片的设计,这意味着芯片的功耗非常低,甚至只有几微瓦。这使得芯片在各个市场和行业中,无论是在芯片尺寸还是市场渗透率方面,都具有高度的可扩展性。


芯片设计的另一个重要趋势是采用协同仿真(硬件和软件)设计。通过这种方式,整个算法被划分为两个子模块:(i) 将需要大量计算的子模块转移到硬件(即芯片)上;(ii) 将依赖于数据并参与决策的复杂模块转移到软件上处理。下面的示例很好地展示了如何将设计流程划分为不同的子集。


最后,IP核对于芯片设计过程至关重要。如果设计人员需要实现复杂的设计,可以使用IP核来节省时间并降低开发风险。



芯片设计流程


芯片设计流程与FPGA 设计流程非常相似。只有一个区别:芯片是在设计完成后制造或加工的。芯片设计流程如下图所示。


图片


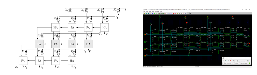
出于实际原因,我们将在本文中使用 4×4 阵列乘法器设计的示例,这是一种数字设计。


— 系统规格 


芯片设计流程的第一步也是最重要的一步是定义和创建系统规格。该系统的主要目的是将两个 4 位输入相乘。预期结果的位宽应约为 8 位。


建筑设计


下一步是设计系统架构,我们决定要使用哪些块以及该系统将在哪个层次上运行。


基本逻辑设计


架构设计完成后,开始设计基本逻辑系统。以上面引用的示例为例,左侧显示的是逻辑图,右侧显示的是原理图设计。该原理图是使用名为 DSCH 的软件工具设计的。


图片


用于构成该乘法器的所有模块(与门、半加器、全加器)均由基本晶体管构成。下图所示为与门的示例示意图。我们可以看到,在这个简单的示意图中使用了 6 个晶体管,并且它们之间也存在大量的互连。


图片


逻辑验证


系统原理图设计完成后,下一步是验证系统功能。这可以使用同一工具中的仿真来完成。此步骤非常重要,因为它有助于在初始阶段进行验证,如果发现系统功能存在任何问题,可以在一开始就将其排除。如果发现任何问题,则必须返回原理图设计阶段,进行调试并得出更新后的原理图。图中显示了上述系统的验证波形。另请注意,在复杂系统中,系统的仿真和验证将是一项更为艰巨的工作。


图片


物理设计布局


下一步也是最重要的一步是将系统转换到物理层。在这一层,原理图使用基本构建块转换为物理布局。例如,下图展示了上图所示的双输入与门的布局。我们可以观察到,每个晶体管都被替换为相应的物理布局,而互连线也被替换为不同的金属层,例如金属 1、金属 2 和多晶硅。这似乎是一个有点复杂的过程,因为设计人员必须手工制作所有晶体管和互连线。


图片


下图展示了半加器的物理布局,可以看出,随着模块的连接,整个过程变得更加复杂。我们必须确保所有晶体管都正确放置,晶体管不能占用不必要的空间,所有互连都按照原理图设计添加,使用多层互连以避免复杂性,并添加所有必要的触点以将两个不同的层连接起来。


图片


下图显示了4位乘法器的整体系统。可以观察到,随着系统抽象度的降低,系统变得更加复杂。


图片


物理设计验证


在进入制造厂之前,需要验证物理布局。为此,使用了多种验证技术,包括(i)设计规则检查(DRC),设计工具检查设计规则中的任何违规行为,例如金属间距,接触尺寸等,(ii)布局与原理图(LVS)检查用于验证设计的布局是否与原理图设计相似,并检查所有连接并进行验证,以及(iii)时序和功率分析用于验证所做的布局是否违反任何时序问题并增加不必要的延迟,如果有任何违规,可以通过在需要时添加反相器和缓冲器来消除。时序延迟规划不周会导致工作频率降低,因此,对时序延迟的验证和纠正对任何设计人员来说都很重要。功率分析显示系统将消耗多少功率,并告诉系统将在什么电压下运行。


制造和最终测试


最后一步是物理版图设计的制造。在使用工具进行系统设计时,所有库和层信息均由即将制造芯片的代工厂提供。系统设计并验证完成后,.GDS 文件将被发送到代工厂进行制造。

最终测试是在硬件上进行的,为此,可以制作一个原型PCB,安装芯片,并将所有必要的接口添加到PCB上进行测试。对于最终测试,另一个重要步骤是在系统内添加内部测试节点,这对于在实际PCB上测试时调试系统至关重要。



芯片设计工具


不同的公司提供芯片设计工具。设计流程的每个阶段所需的工具都有所不同。以下是芯片设计工具市场中的两家主要参与者。


西门子为集成电路设计提供了各种设计和验证工具,包括:(i) 信号完整性分析,以确保缩短设计时间并一次性完成完美设计;(ii) “Calibre 设计解决方案”,用于克服电路中的电容问题;以及 (iii) “定制集成电路”,用于完成完整的设计。有关该软件的更多详细信息,请访问 ( https://eda.sw.siemens.com/en-US/ic/products/ )。


Cadence是 IC 设计行业的巨头之一。他们提供可用于创建模拟和数字 IC 的工具。Cadence 还提供非常有效的工具,通过自动布局生成工具来减轻设计人员的设计负担。通过这种方式,设计人员可以使用 RTL 语言创建顶层模块,然后该工具将其转换为物理层。Cadence 工具的链接是https://www.cadence.com/en_US/home/tools/custom-ic-analog-rf-design/circuit-design.html



芯片设计的未来


改变芯片设计行业未来的两个因素是:(i)个位数节点的引入;(ii)设计工具的进步。第一个因素是10纳米以下硅晶圆,它将为数据中心带来一系列新型高性能计算芯片,例如CPU和加速器,这将使我们拥有数百万的计算能力。因此,第二个因素支持了这一发展。现代工具使设计师能够克服物理设计流程中繁琐的工作,并让他们能够使用自动设计工具来创建芯片。设计师在更高层次上工作,而工具则将更高层次的系统转换为物理层设计以供制造。这意味着更快的芯片设计周期。

上一条:芯片设计,变天了下一条:【科普】IGBT模块参数详解(静态参数)
联系方式
tel: 0571-85821285
add: 浙江省杭州市西湖区三墩镇紫宣路158号2幢2层203室
https://www.hzakw.com/
浙ICP备2023001895号-1
核心业务
定制芯片
独立知识产权
设计应用
配套解决方案